鈦合金的密度低,一般在4.51g.cm-3左右,僅為鋼的60%,但一些高強度鈦合金的強度超過了許多合金結構鋼,因其具有比強度高、剛性好、質量輕以及抗腐蝕性能好等一系列優點,被廣泛應用于飛機的發動機構件、骨架、蒙皮、緊固件、轉動件及起落架等[1]。而TC6鈦合金(相當于俄羅斯牌號BT3-1)是目前應用最廣泛的Ti-Al-Mo-Cr-Fe-Si系鈦合金[2],為馬氏體型α+β兩相熱強鈦合金,因其為雙相鈦合金,相較于近α單相鈦合金,其葉片在熱處理過程中受鍛造殘余應力釋放、自身重力作用、溫度變化引起的熱效應及組織轉變引起的體積效應等綜合作用更容易發生變形,成為葉片制造中的一大行業共性難題。
傳統的葉片鍛造方式為大余量模鍛,其熱處理過程中主要是通過控制材料相變來獲得預期組織,從而使其具有所需性能[3],精密葉型尺寸則通過機械調整加工去除預留余量的方式來獲得,但是該加工方式效率較低、刀具損耗大且成本偏高。隨著近凈成形技術的發展及生產任務對效能提升的需求,葉片及其他重要零部件的鍛造方式逐步由傳統的大余量鍛造演變為小余量鍛造甚至為精鍛[4],相應的熱處理變形逐步成為突出問題。
近年來葉片制造企業逐步將熱處理變形預補償至模具中[5],但是在科研和實際生產過程中,熱處理變形量較大且變形不規律給模具預補償工作帶來很大困擾。本項目團隊前期通過優化熱處理夾具使葉片盡可能豎直懸掛于夾具上以降低葉片自身重力作用[6],并通過增加氣流擋板來降低氣淬過程中的熱應力,均取得了較明顯的降低葉片熱處理變形的效果[7],但是葉片熱處理變形量還是較大,其扭角變化大于1°、輪廓變化超過0.08mm(公差范圍)、彎曲變化超過0.1mm。
本文設計并實施了幾組不同的形變熱處理工藝,并對比分析不同形變熱處理工藝對葉片組織、性能及葉型變形的影響,探討分析形變熱處理工藝在控制TC6鈦合金葉片熱處理變形中的可行性。
1、試驗
1.1 試驗準備
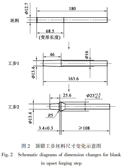
試驗選取某型進口整流TC6鈦合金葉片為典型試驗件,原材料選用寶鈦集團有限公司生產的Φ13mm×2000mm的棒料,其相變溫度Tβ=973℃,再結晶溫度T再=821℃,共投料60件葉片及60根試樣。試驗準備階段的主要工藝路線為:長棒料下料(短棒料,單件)頂鍛預鍛,其坯料形狀變化如圖1所示,其中頂鍛坯料尺寸變化如圖2所示,需滿足鍛件充型成形需求[8]。


1.2 試驗分組及試驗過程
試驗分為6組,分別為S0、S2、S3、S4、S9和S10,各組均包括10件壓扁試棒和10件葉片,各試驗組的試驗參數[9]如表1所示,其中終鍛變形量基本一致,為50%~60%,熱校變形量基本一致,為4%~7%,終鍛及熱校前的加熱保溫時間為12~16min,終鍛及熱校的上模溫度為(190±10)℃、下模溫度為(220±10)℃。

熱處理試驗分為正常等溫退火熱處理和形變熱處理,其不同組別的熱處理工藝曲線如圖3所示。

熱處理前后對所有葉片型面按照HB5647—1998[10]進行尺寸檢測,最后按HB7726—2002[11]的技術要求對葉片進行金相檢測,并對隨爐壓扁試棒進行力學性能檢測。
2、結果及分析
2.1 形變熱處理對降低TC6鈦合金葉片熱處理變形量的可行性分析
不同熱處理工藝對葉片鍛件熱處理前后變形影響的結果如圖4所示,其中,設計圖規定需檢測的10個截面如圖4a所示,截面實際檢測葉型與理論葉型對比的線輪廓示意圖見圖4b。由圖3、圖4及表1分析可知,采用形變熱處理工藝后,葉片盆背輪廓變化最大,為0.03mm,彎曲變化最大,為0.07mm,扭角變化最大,為0.2°。相較正常等溫退火熱處理前后檢測的葉型尺寸變化,采用形變熱處理工藝減少了高溫熱處理過程,可使葉片熱處理變形量大大降低,盆背輪廓變形量降低62%,彎曲變形量降低近90%,扭角變形量降低近90%。

2.2 形變熱處理對TC6鈦合金葉片基材組織的影響
圖5為葉片經過不同試驗組熱處理后的金相組織,由S0、S3和S10組的金相組織及工藝參數分析可知,將形變熱處理放置在終鍛并只進行后續的低溫退火熱處理時,其組織主要是終鍛后的組織形態,即為較拉長的初生α相+β相,其鍛造溫度越高,初生α相相對越大,這是因為有足夠的能量驅使初生α相長大[12]。對比S0、S3、S10組和S2、S4組的金相組織及工藝參數可知,將形變熱處理放置在終鍛工序之后的熱校工序中并進行再結晶溫度以下的退火時,在該(α+β)相溫度區的熱校工藝參數下可促使β相轉變,組織中析出一些細小的圓棒狀和條狀的次生α相,且熱校溫度越高,空冷下催生的次生α相越多,在后續的低溫退火過程中次生α相會彌散更均勻,起到的強化效果更好[13]。對比S2、S4組和S9組的金相組織及工藝參數可知,因熱校加熱保溫時間較短,沒有充足的能量驅使初生α相等軸化和長大以及次生α相長大,故S9組的金相組織中次生α相稍微長大,而S2和S4組的金相組織中依舊保留較為細小彌散的次生α相,起到較好的強化效果。


2.3 形變熱處理對TC6鈦合金葉片熱處理性能的影響
表2為不同試驗組熱處理后的葉片隨爐壓扁試棒的室溫拉伸及室溫沖擊力學性能測試結果,表3為不同試驗組熱處理后的葉片隨爐壓扁試棒在400℃下的高溫拉伸及高溫持久力學性能檢測結果。
鈦合金的使用性能由組織結構決定,而組織結構取決于合金的成分、熱加工和熱處理手段[14]。對比S0、S3、S10組和S2、S4組的金相組織及力學性能可知,在終鍛與低溫退火間增加熱校工序可使初生α相稍微長大,并適當降低其強度以滿足HB7726—2002[11]中葉片鍛件的技術要求。對比S2、S4組和S9組的金相組織及力學性能可知,為進一步降低形變熱處理的強度,可適當增加形變熱處理的保溫時間或適當降低形變熱處理的保溫溫度,以保留更多的初生α相或讓初生α相及次生α相適當長大。
3、結論
(1)采用“終鍛+熱處理(900~(Tβ-40)℃,保溫12~16min,終鍛,10s內將鍛件轉移至空氣中冷卻至室溫)低溫退火(640℃,保溫120~130min,0.1MPa氬氣冷卻至60℃后空冷)”或“終鍛((Tβ-40)℃,保溫12~16min,終鍛)熱校+熱處理(850~900℃,保溫12~16min,熱校,10s內將鍛件轉移至空氣中冷卻至室溫)低溫退火(640℃,保溫120~130min,0.1MPa氬氣冷卻至60℃后空冷)”的形變熱處理工藝,可降低TC6鈦合金葉片超60%的熱處理變形量。
(2)當采用形變熱處理工藝時,應放在終鍛之后的熱校工序中,可獲得預期組織及性能,并使其滿足葉片鍛件技術要求。(3)為使葉片鍛件通過形變熱處理降低熱處理變形量,并更好地使葉片鍛件在形變熱處理之后獲得預期組織以滿足強度與塑性雙重性能指標,可適當調整熱校過程中形變熱處理的保溫溫度或保溫時間。
參考文獻:
[1] 劉靜安. 鈦合金的特性與用途 [ J]. 有色金屬加工, 2002, 31 (4): 1-9, 59.
Liu J A. Properties and applications of titanium alloy [J]. NonferrousMetals Processing, 2002, 31 (4): 1-9, 59.
[2] 王澤均, 李明強, 李長亮, 等. 航空發動機用 BT3-1 ( TC6)鈦合金棒材的試制 [J]. 鈦工業進展, 2003 (1): 43-45.
Wang Z J, Li M Q, Li C L, et al. Trial-production of BT3-1 (TC6) Ti alloy bars for aircraft engines [ J]. Titanium Industry Progress, 2003 (1): 43-45.
[3] 顧忠明, 張起, 喬恩利, 等. 熱處理工藝對大規格 Ti6246 鈦合金 棒材組織與性能的影響 [J]. 金屬世界, 2024 (4): 54-58.
Gu Z M, Zhang Q, Qiao E L, et al. Effect of heat treatment process on the microstructure and properties of large-size Ti6246 titaniumalloy bar [J]. Metal World, 2024 (4): 54-58.
[4] 裴穎脫. 基于計算機模擬的安全閥閥體多向模鍛精密成形工 藝 [J]. 鍛壓技術, 2022, 47 (5): 12-18.
Pei Y T. Multi-directional die forging precision forming process of safety valve body based on computer simulation [ J]. Forging & Stamping Technology, 2022, 47 (5): 12-18.
[5] 姚貴, 張勇, 王利歌, 等. 一種精鍛葉片厚度塑性變形補償 方法 [P]. 中國: CN103244195A, 2013-08-14.
Yao G, Zhang Y, Wang L G, et al. A compensation method for plastic deformation of precision forged blade thickness [ P ]. China: CN103244195A, 2013-08-14.
[6] 陸彥良, 陳玉珍, 夏玥, 等. 一種用于航空發動機葉片裝夾 熱處理的夾具優化方法 [P]. 中國: CN112395742A, 2021- 02-23.
Lu Y L, Chen Y Z, Xia Y, et al. A fixture optimization method for heat treatment of aircraft engine blade clamping [ P]. China: CN112395742A, 2021-02-23.
[7] 陸彥良, 胡吉云, 夏玥. 一種用于航空發動機精鍛葉片真空熱處 理的裝夾裝置 [P]. 中國: CN112921168A, 2021-06-08.
Lu Y L, Hu J Y, Xia Y. A clamping device for vacuum heat treatmentof precision forged blades in aircraft engines [ P]. China: CN112921168A, 2021-06-08.
[8]王斌, 王琪偉, 宗影影, 等. 5A06 鋁合金環形連接框等溫模鍛 坯料設計及工藝驗證 [J]. 鍛壓技術, 2023, 48 (1): 29-45.
Wang B, Wang Q W, Zong Y Y, et al. Design on isothermal die forging billet for 5A06 aluminum alloy ring connecting frame and process validation [ J]. Forging & Stamping Technology, 2023, 48 (1): 29-45.
[9] 陸彥良, 曹敏, 潘柳成, 等. 一種航空發動機 TC6 鈦合金葉 片鍛件制備方法 [P]. 中國: CN117531941A, 2024-02-09.
Lu Y L, Cao M, Pan L C, et al. A method for preparing TC6 titaniumalloy blade forgings for aircraft engines [ P ]. China: CN117531941A, 2024-02-09.
[10] HB 5647—1998, 葉片葉型的標注、 公差與葉身表面粗糙度[S]. HB 5647—1998, Labeling, tolerances, and surface roughness of blade profiles [S].
[11] HB 7726—2002, 航空發動機用鈦合金葉片精鍛件規范 [S]. HB 7726—2002, Specification for precision forgings of titanium alloyblades for aeroengine [S].
[12] 孫坤, 徐媛, 葉青, 等. 不同原始組織 TC6 鈦合金高溫變形 微結構演 化 及 其 力 學 性 能 [ J]. 稀 有 金 屬 材 料 與 工 程, 2012, 41 (3): 406-412.
Sun K, Xu Y, Ye Q, et al. Microstructure evolution and mechanicalproperties of TC6 alloys with different original microstructures during high temperature deformation [ J]. Rare Metal Materials and Engineering, 2012, 41 (3): 406-412.
[13] 黃帆, 海敏娜, 孫虎代, 等. 熱處理對航空緊固件用 TC16鈦合金棒材組織性能的影響 [ J]. 金屬世界, 2022 ( 5): 46-50.
Huang F, Hai M N, Sun H D, et al. Effect of heat treatment on microstructure and properties of TC16 titanium alloy bar [ J]. Metal World, 2022 (5): 46-50.
[14] Mustafi L. TC6 鈦合金的相變與熱變形行為 [D]. 哈爾濱:哈爾濱工業大學, 2016.
Mustafi L. Phase Transformation and Thermal Deformation Behaviorof TC6 Titanium Alloy [D]. Harbin: Harbin Institute of Technology, 2016.
相關鏈接
- 2024-09-19 固溶和時效溫度對TC6鈦合金棒顯微組織與力學性能的影響
- 2018-07-14 高強度TC6鈦棒性能分析

